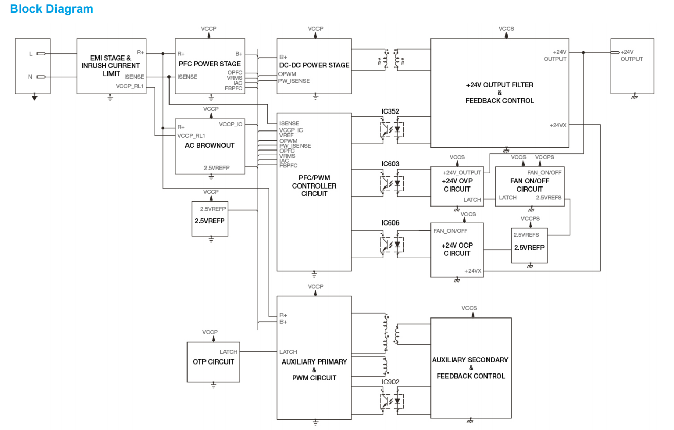
PMC-24V600W1BA的额定功率为600W,输出电压为24V。该产品的功能是功率增强200%(高达1200W)5秒,内置风扇转速控制与风扇锁保护。PMC-24V600W1BA接受全通用交流输入范围,并已批准采用IEC/EN/EL60950-1和IEC/EN/UL62368-1的EMI、EN55011(工业、科学和医疗(ISM)射频设备)的EMI和EN61000-6-2(工业环境豁免)的EMS。
亮点与特色
- 全球通用交流输入电压范围
- 高功率因数 > 0.99 @ 115Vac
- 200% 峰值功率可持续 5 秒
- 达到雷击浪涌抗扰度 IEC 61000-4-5, Level 4 (CM: 4kV, DM: 2kV)
- 内置风扇速度控制及风扇防锁功能
- -20°C 至 70°C 宽范围运行温度
- 过压 / 过流 / 过温 / 短路保护
- 通过 IEC/EN/UL 62368-1 认证
输出电压
24V
输出功率
600W
输出电流
25A
输入电压范围
85-264Vac
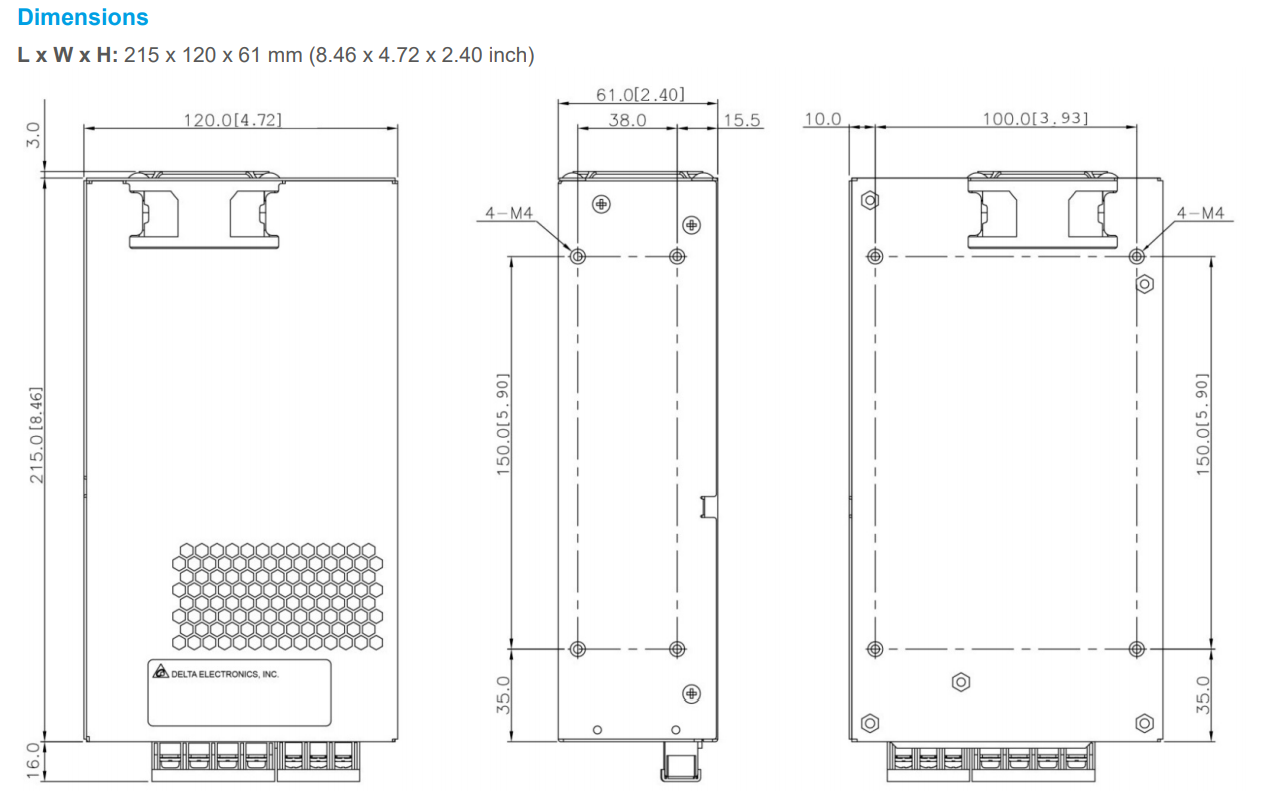
尺寸 (L x W x H)
215 x 120 x 61 mm
8.46” x 4.72” x 2.40”
重量
1.60 kg (3.53 lb)
简体中文
English
Russian
全国服务热线









