Delta的PMC系列面板安装电源提供了一个24V的标称输出电压,一个很宽的温度范围从-10°C到+70°C和一个高度可靠的最小保持时间。最先进的设计是为了承受恶劣的工业环境。使该产品从人群中脱颖而出的是它的轻质全铝车身设计,根据IEC60068-2-6,它可以承受冲击和振动。PMC系列还提供过电压和过载保护。采用一个广泛的输入电压范围的设计,它是兼容的全球。该输入还包括来自125-375Vdc的直流工作电压。最重要的是,这种优秀的设计和质量并没有一个很大的价格标签。
亮点与特色
- 全球通用交流输入电压范围
- 输入电压全范围功率不降级
- 铝制外壳和底盘全方位防腐蚀
- MTBF > 700,000 hrs Telcordia SR-332
- IEC/EN/UL 60950-1, IEC/EN/UL 62368-1 (信息类设备标准) 安规认证
- 可选 IP20 端子台及朝前型端子台
输出电压
24V
输出功率
35W
输出电流
1.46A
输入电压范围
85-264Vac
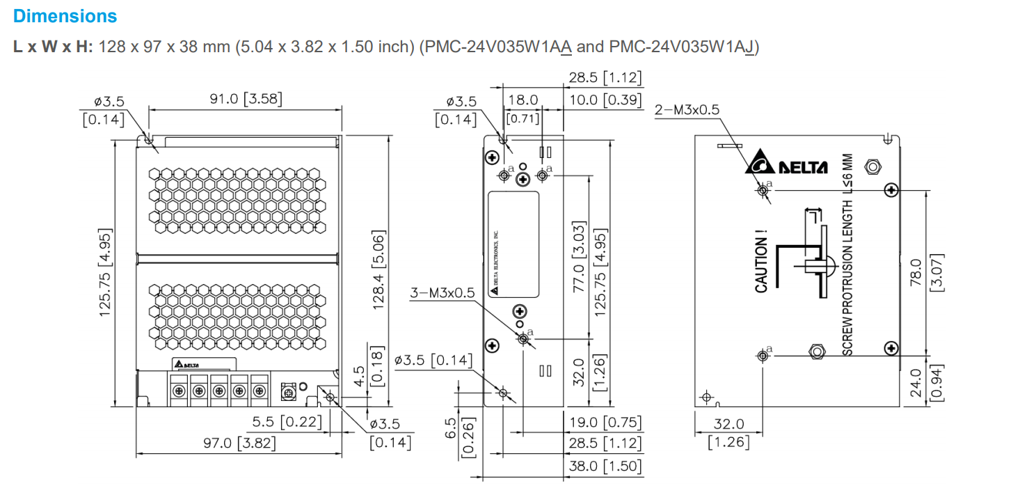
尺寸 (L x W x H)
128 x 97 x 38 mm
5.04” x 3.82” x 1.50”
重量
0.24 kg (0.53 lb)
简体中文
English
Russian
全国服务热线










