Delta的PMC系列面板安装电源提供了一个5V的标称输出电压,一个很宽的温度范围从-10°C到+70°C和一个高度可靠的最小保持时间。最先进的设计是为了承受恶劣的工业环境。使该产品脱颖而出的是高工作环境温度>60℃降流功率,能够承受IEC60068-2规定的冲击和振动。PMC系列还提供过电压和过载保护。采用较宽的输入电压范围设计,它是兼容的全球。该输入还包括来自125-375Vdc的直流工作电压。最重要的是,这种优秀的设计和质量并没有一个很大的价格标签。
亮点与特色
- 全球通用交流输入电压范围
- 全输入电压范围无功率降额
- 符合谐波电流IEC/EN 61000-3-2, Class A 标准
- MTBF > 700,000 hrs Telcordia SR-332
- 通过 IEC/EN/UL 60950-1、 IEC/EN/UL62368-1和EMI EN 55032 ,ClassB 认证
输出电压
5V
输出功率
15W
输出电流
3A
输入电压范围
85-264Vac
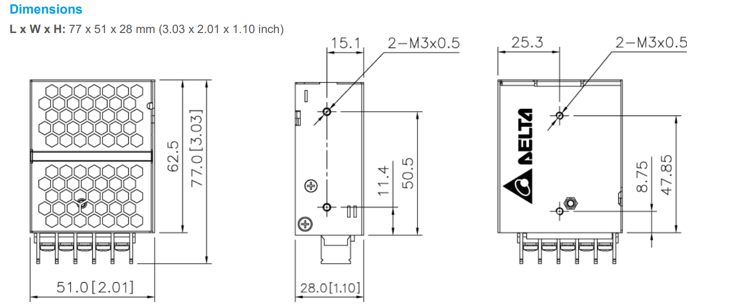
尺寸 (L x W x H)
77 x 51 x 28 mm
3.03” x 2.01” x 1.10”
重量
0.16 kg (0.35 lb)
简体中文
English
Russian
全国服务热线









