新的PMT系列面板安装电源是来自世界上最大的电源制造商和解决方案供应商之一的最新产品。该产品提供了广泛的工作温度范围,从-10°C到+70°C,并可以承受冲击和振动的要求(分别符合IEC60068-2-27和IEC60068-2-6)。除了过压和过载保护等功能外,Delta的PMT系列面板安装电源也不同于许多其他品牌在相同的价格水平上。PMT系列是为成本竞争的市场设计的,而不影响组件的质量和产品规格。该系列产品的预期使用寿命为10年。这个多功能系列有三种不同的连接器选项(端子块,前端和线束),也可以转换为L帧(PML)类型的电源,以满足不同的应用需求。
亮点与特色
符合谐波电流IEC/EN61000-3-2,A级标准
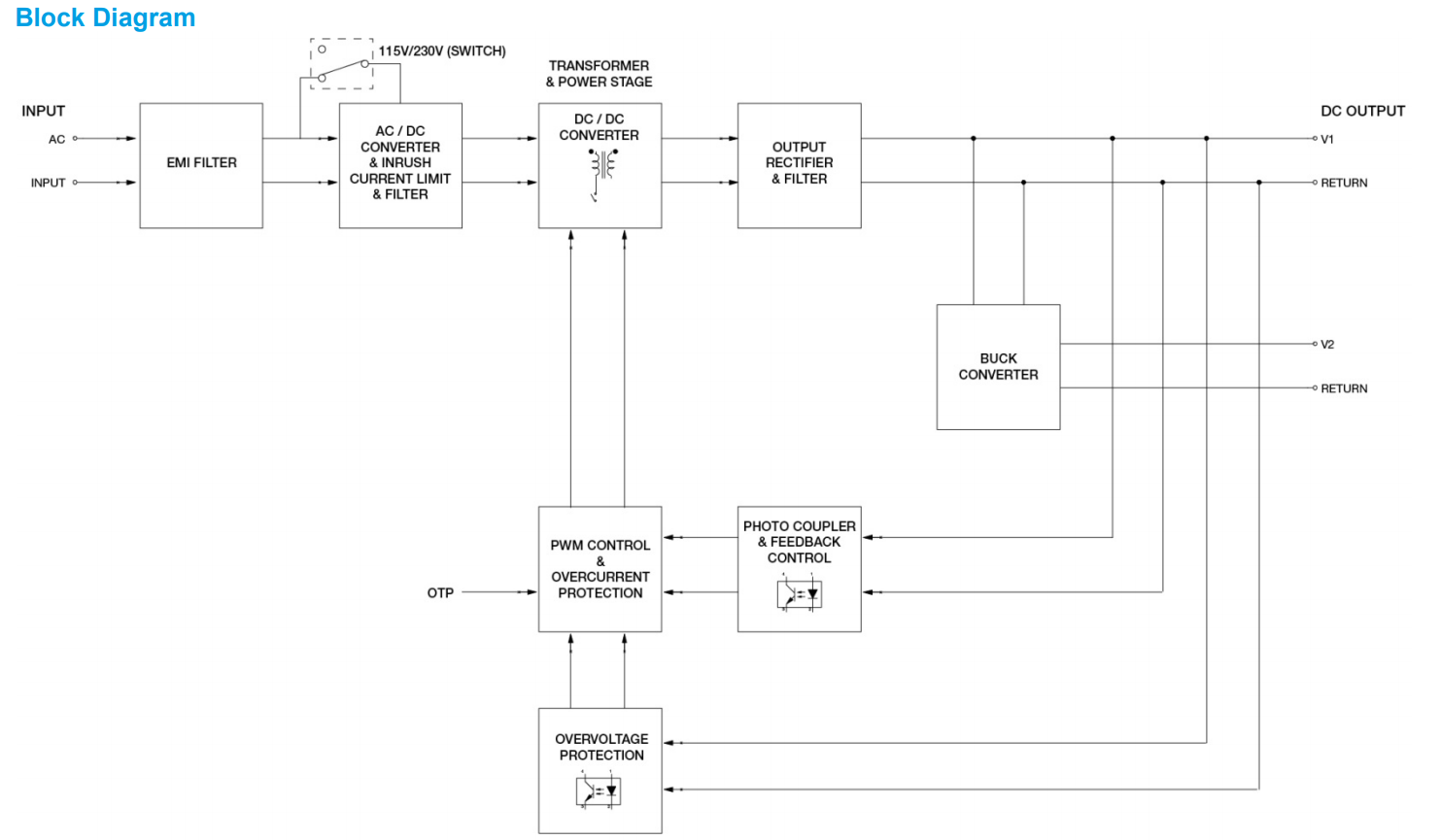
交流输入电压选择开关 (88-132Vac, 176-264Vac)
MTBF>700,000小时电信SR-332
万能配置选项 (封闭型,L 框架型)
万能连接器选项(标准型端子台,朝前型端子台,线束型连接器)
输出电压
12V,5V
输出功率
99W
输出电流
7A,3A
输入电压范围
88-132Vac, 176-264Vac (Selectable by Switch)
尺寸 (L x W x H)
178 x 97 x 38 mm
7.01” x 3.82” x 1.50”
重量
0.45 kg (0.99 lb)
简体中文
English
Russian
全国服务热线











