新的PMT系列面板安装电源是来自世界上最大的电源制造商和解决方案供应商之一的最新产品。PMT-5V350W1A☐提供5V的标称输出电压,工作温度范围从-20°C到+70°C,并可承受冲击和振动(分别符合IEC60068-2-227和IEC60068-2-6)。除了过压和过载保护等功能外,Delta的PMT系列面板安装电源也不同于许多其他品牌在相同的价格水平上。PMT系列是为成本竞争的市场设计的,而不影响组件的质量和产品规格。该系列产品的预期寿命为10年,输出功率不会从100Vac到132Vac和180Vac到264Vac。
亮点与特色
- 交流输入电压选择开关
- 铝制外壳和底盘全方位防腐蚀
- 内置自动风扇控速电路
- 宽工作温度范围为 -20°C 至 +70°C 和 -40°C 冷启动
- MTBF > 700,000 hrs Telcordia SR-332
- 短路 / 过压 / 过负载 / 过温保护

输出电压
5V
输出功率
300W
输出电流
60A
输入电压范围
90-132Vac, 180-264Vac (Selectable by Switch)
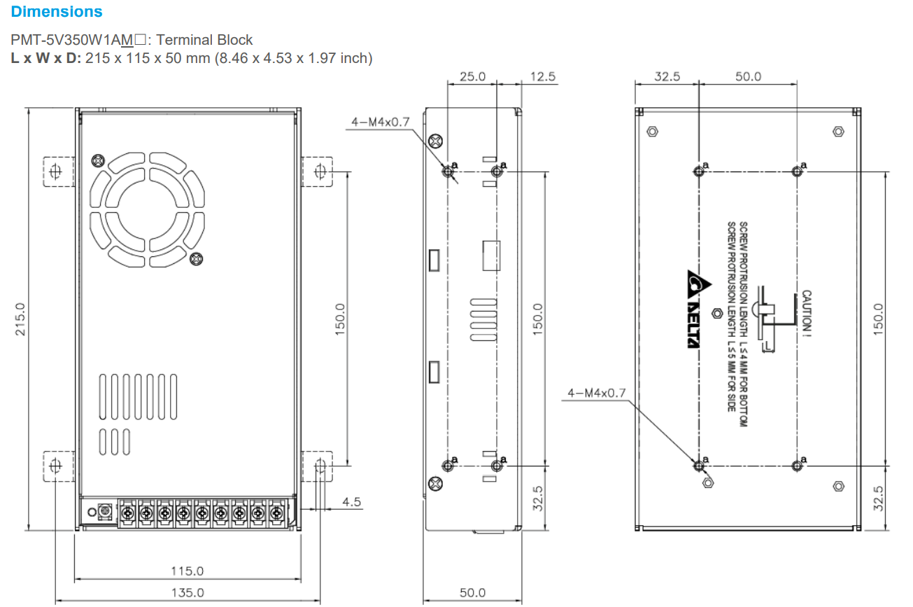
尺寸 (L x W x H)
215 x 115 x 50 mm
8.46” x 4.53” x 1.97”
重量
0.81 kg (1.79 lb)
简体中文
English
Russian
全国服务热线













