PMH-24V150WCL☐提供从85Vac到264Vac的通用输入,标称输出电压为24V。高效的通风冷却结构可以从-30°C到70°C。单输出设计紧凑且价格具有竞争力,用于污染程度3的家用电器安全批准,包括IEC/EN60335-1、IEC/EN61558-2-16、IEC/UL60950-1和IEC/EN/UL62368-1。此外,该产品符合EMC批准的EN55014-1/EN55014-2适用于家用电器和EN61000-6-6-3适用的工业和住宅环境,不需要额外的EMI过滤器,并有多个连接器选项,包括端子、IP20、前端和线束连接器。
亮点与特色
- 通过家用电器认证、污染防护等级第 3 级,达到 IEC/ EN 60335-1、IEC/EN 61558-1 及 IEC/EN 61558-2-16 标准
- 全球通用交流输入电压
- 抗输入电压浪涌 300Vac 可达 7 秒
- -25°C 至 +50°C 全功率运行 @ 5000 米或 16400 英尺海拔高度
- 全防腐蚀铝制外壳
- 空载损耗 < 0.3W @ 115Vac
- 低漏电流 < 0.75mA
- 多种连接器选项:IP20、朝前型端子台及线束型连接器
- 符合IEC/EN/UL 62368-1 认证
输出电压
24V
输出功率
156W
输出电流
6.5A
输入电压范围
85-264Vac
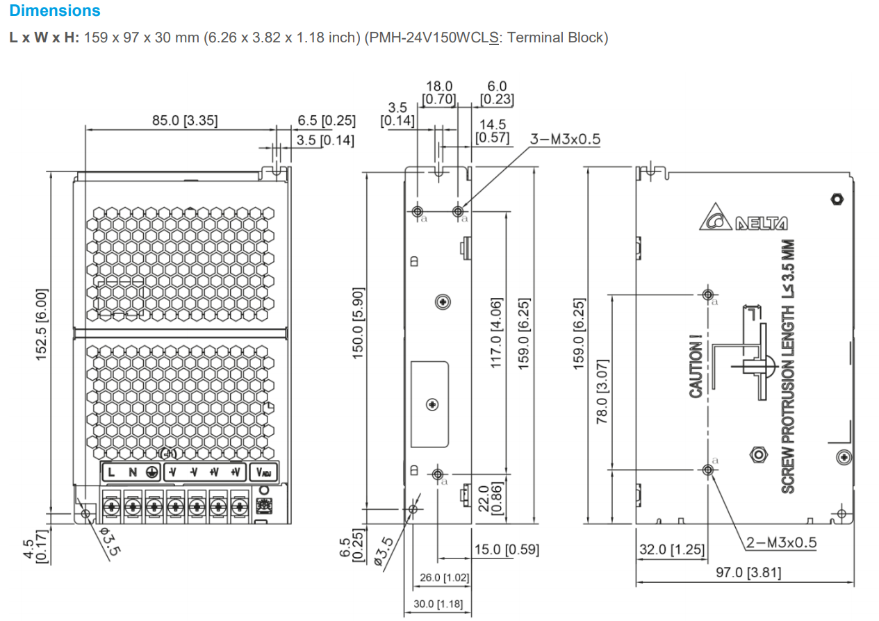
尺寸 (L x W x H)
159 x 97 x 30 mm
6.26” x 3.82” x 1.18”
重量
0.41 Kg (0.90 lb)
简体中文
English
Russian
全国服务热线











