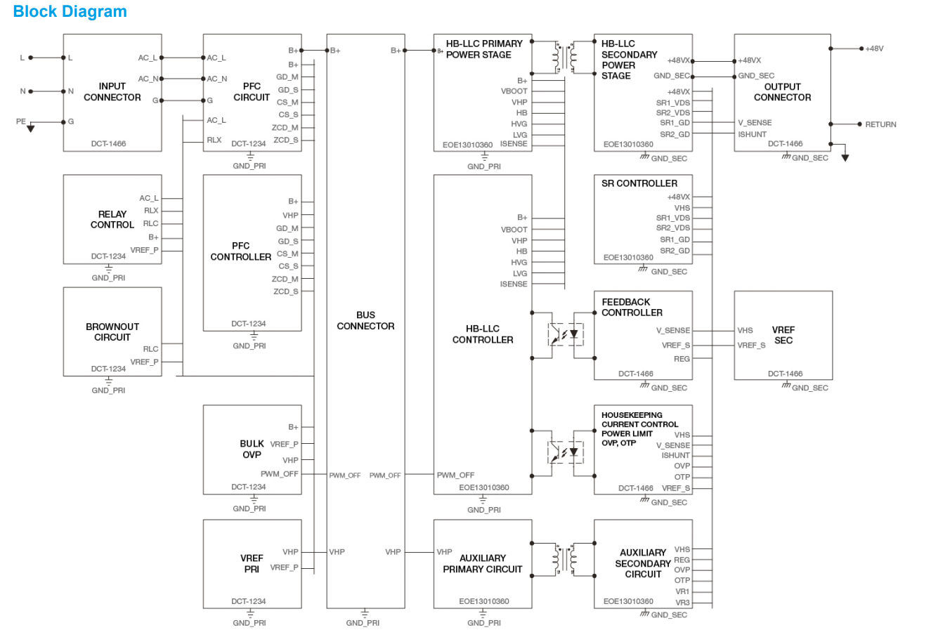
CliQ II 导轨型电源系列来自世界领先的电源公司之一,三角洲电子集团,提供48v的输出电压。这些产品封装在坚固而轻的全铝车身,可以根据IEC60068-2标准承受冲击和振动。DRP048V480W1B可以在-25°C到+75°C的宽温度范围内工作。该系列单相产品还具有通用的交流输入电压范围从85Vac到264Vac,功率不会在整个范围内减速率。另一个伟大的特点是PCBA上的保形涂层,它允许选定的型号通过ATEX和I类,Div2的认证,用于危险地点。该设计符合谐波电流发射IEC/EN61000-3-2,A级。
亮点与特色
- 全球通用交流输入电压范围
- 全输入电压范围无功率降额
- 5 秒 150% 功率提升, 2 秒 200% 功率提升
- 抗腐蚀铝质外売
- 符合谐波电流 IEC/EN 61000-3-2, Class A 标准
- -40°C 极低温下冷启动
- PCBA 防护涂层防粉尘及化学污染
- 危险场所 ATEX 及 Class I, Div 2 (C1D2) 认证 DRP048V480W1BA)
- 通过 IEC/EN/UL 62368-1 认证
输出电压
48V
输出功率
480W
输出电流
10A
输入电压范围
85-264Vac
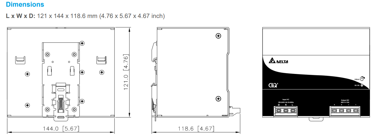
尺寸 (H x W x D)
121 x 144 x 118.6 mm
4.76” x 5.67” x 4.67”
重量
1.37 kg (3.02 lb)
简体中文
English
Russian
全国服务热线










